CT & PT
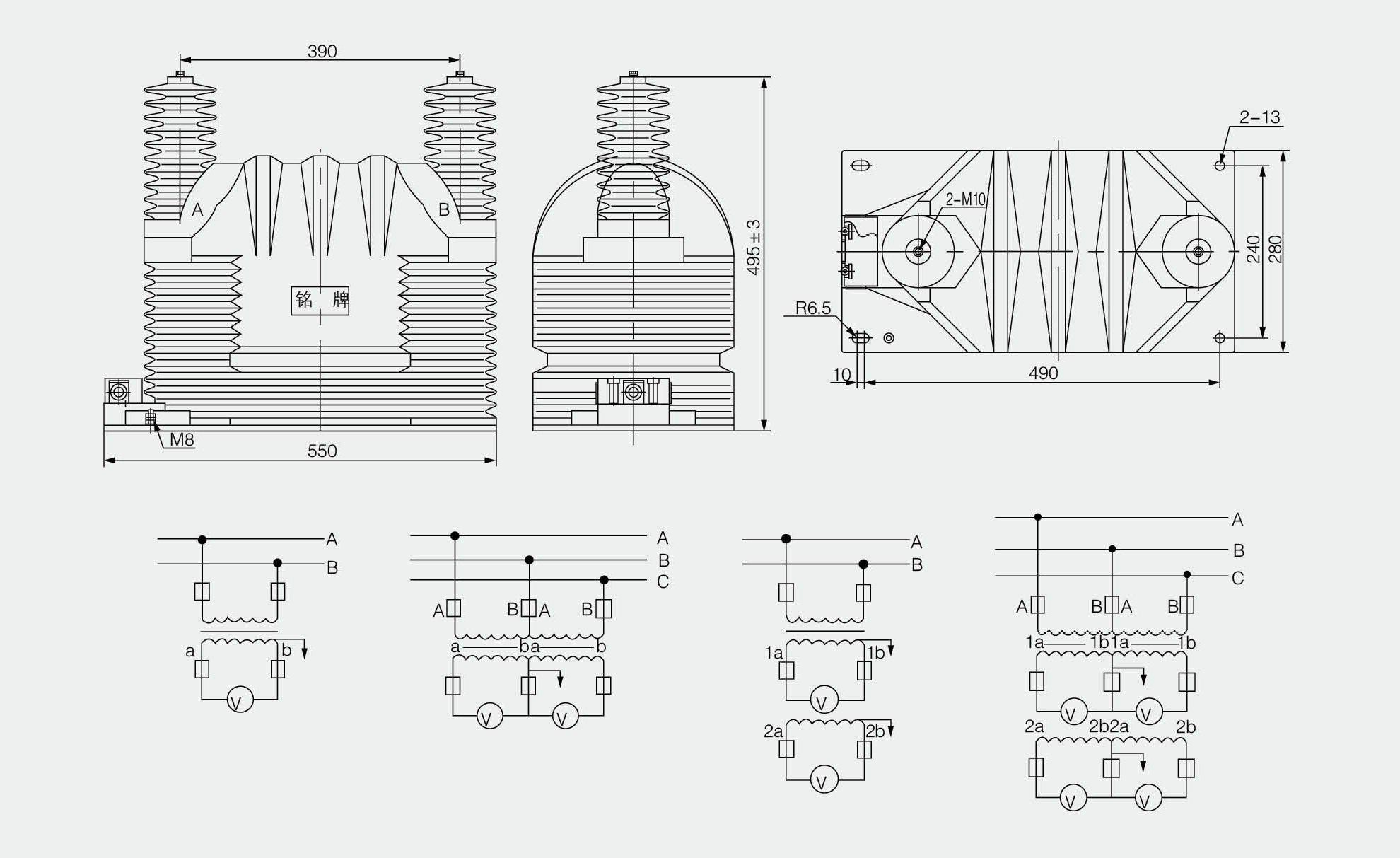
JDZ9-35Q Secondary Output Voltage Transformer
A secondary output voltage transformer, commonly known as a voltage transformer or potential transformer (PT), is a specialized transformer used to measure and transform high voltages into standardized low voltage levels suitable for metering, protection, and control applications. Unlike current transformers (CTs) that measure high currents, voltage transformers focus on high voltages.
The primary winding of the voltage transformer is connected to the high-voltage circuit, while the secondary winding is connected to the measuring, protection, or control equipment. The transformer steps down the high voltage to a lower, standardized voltage, typically 120V or 240V in many applications, which can be safely and accurately measured by meters, relays, and other devices.
Voltage transformers are crucial for ensuring the accuracy and reliability of voltage measurements in electrical power systems. They provide a safe and convenient means to monitor voltage levels, facilitate protective relaying functions, and enable effective control of electrical equipment and circuits.
These transformers are designed with high-quality insulation materials and protective features to withstand high-voltage environments and ensure safe and reliable operation. They come in various configurations and types, including oil-filled, gas-insulated, and dry-type designs, to suit different system requirements and applications.
English
русский
عربى








